93XXX - programowanie przy zwartych pinach DI oraz DO

Pytania techniczne oraz porady dotyczące programowania pamięci oraz funkcjonalności programatora.
a k
Posts: 2
Joined: Sun Jan 10, 2021 2:01 pm

93XXX - programowanie przy zwartych pinach DI oraz DO

Postby a k » Sun Jan 10, 2021 2:13 pm

Szanowni Państwo,

Posiadam w serwisowanych urządzeniach pamięci 93C66, które na PCB mają zwarte ze sobą piny 3 oraz 4. Na PCB jest złącze z wyprowadzonymi sygnałami z pamięci, które chciałbym wykorzystać do programowania układu.
Programator Revelprog radzi sobie bezbłędnie z odczytem pamięci (w moim przypadku tryb 16-bit); natomiast zapis do pamięci nie jest możliwy. Do zapisu muszę wylutować kość z PCB, włożyć do programatora, i ponownie wlutować w urządzenie - jest to bardzo kłopotliwe. Czy mógłbym prosić o sugestię lub uwzględnienie problemu w aktualizacji programatora, aby było możliwe programowanie kości "in place"?
Wydaje mi się, że technicznie powinno być to możliwe, tutaj przykład z internetu schematu z również połączonymi ze sobą sygnałami DI oraz DO:
https://www.cnblogs.com/shangdawei/p/4128259.html

Będę wdzięczny za pomoc w rozwiązaniu problemu. Ze swojej strony mogę dostarczyć przykładowy układ, oraz wykonać testy.

ArT
Posts: 1597
Joined: Wed Mar 25, 2015 8:54 am
Location: Warsaw, Poland
Has thanked: 61 times
Been thanked: 169 times

Re: 93XXX - programowanie przy zwartych pinach DI oraz DO

Postby ArT » Sun Jan 10, 2021 9:19 pm

Na pewno są zwarte piny 3 i 4? Bo to są linie komunikacyjne, gdyby one były zwarte to nie wiem czy w ogóle by był możliwy odczyt w układzie, a zapis na pewno nie bo ile odczyt wymaga jednej linii komunikacyjnej to zapis wymaga dwóch.

Na 93C66 może być jeden pin odpowiedzialny za zabezpieczenie przed zapisem - jeżeli on będzie podłączony do masy to pamięć się odczyta, ale nie da się jej zapisać. W takim przypadku trzeba podnosić ten pin do góry aby nie miał kontaktu z masą na płytce.

Jeżeli faktycznie MISO/MOSI są ze sobą zwarte to nie widzę szansy na programowanie dopóki nie zostaną one od siebie rozdzielone.

a k
Posts: 2
Joined: Sun Jan 10, 2021 2:01 pm

Re: 93XXX - programowanie przy zwartych pinach DI oraz DO

Postby a k » Tue Jan 12, 2021 8:02 am

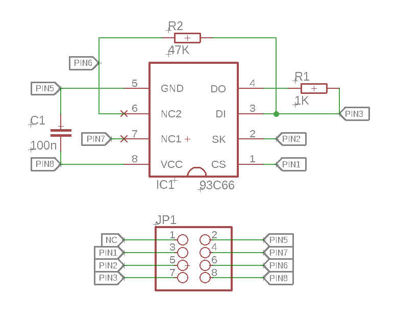
Przepraszam za opóźnienie w odpowiedzi, ale musiałem przerysować schemat, by był czytelny.
Przesyłam schemat płytki:
eeprom_93c66.png
eeprom_93c66.png (14.27 KiB) Viewed 5908 times


Dostęp poprzez programator mam tylko ze złącza JP1 widocznego na zdjęciu.
Klips SOIC nie wchodzi w grę za bardzo - PCB normalnie pokryta jest grubą warstwą zabezpieczającą przed wilgocią.
Oraz zdjęcie:
93cxx_eeprom.jpg
93cxx_eeprom.jpg (860.64 KiB) Viewed 5908 times


Co do istoty, to wprowadziłem w błąd - piny DI oraz DO pamięci nie są zwarte bezpośrednio, ale poprzez rezystor 1K. Dostęp "wprost" mamy tylko do pinu DI.
Ponieważ transmisja jest typu "half-duplex", wydaje mi się, że dałoby się to zrobić pod dwoma warunkami:
1) programator ma impedancję wyjściwą / wydajność prądową na pinie pozwalającą "wymusić" sygnał na obciążeniu 1K podczas zapisu danych;
2) programator przestawi swoje wyjście danych w stan wysokiej impedancji w momencie odczytu danych.

O ile z pierwszym punktem mógłbym sobie próbować jakoś poradzić dodając zewnętrzny bufor (jeżeli w ogóle byłby potrzebny), to o ten drugi punkt potrzebowałbym funkcjonalności w samym programatorze.
Inną ewentualnością byłby zupełnie osobny pin programatora, na którym pojawiałby się stan wysoki tylko w momencie transmisji z programatora do kości.

Z góry dziękuję za poświęcony czas nad problemem.

ArT
Posts: 1597
Joined: Wed Mar 25, 2015 8:54 am
Location: Warsaw, Poland
Has thanked: 61 times
Been thanked: 169 times

Re: 93XXX - programowanie przy zwartych pinach DI oraz DO

Postby ArT » Tue Jan 12, 2021 10:37 am

Jedyną opcje jaką widzę to w zależności co szybsze:
1. albo wylutować rezystor R1 i pin DO podłączyć na osobnym przewodzie (programator musi mieć podłączone obie linie DI i DO do zapisu i nie mogą być ze sobą połączone, nawet przez rezystor)
2. albo wylutować pamięć i zaprogramować w podstawce
Obawiam się że bardziej nie będę w stanie pomóc :(


Return to “Wsparcie Techniczne”

Who is online

Users browsing this forum: No registered users and 3 guests