Porblem z kalibracją czujnika NTC

Pytania techniczne oraz porady dotyczące kompatybilności i funkcjonalności UKP.
pikador
Posts: 7
Joined: Sun Dec 01, 2019 11:29 am
Has thanked: 2 times

Porblem z kalibracją czujnika NTC

Postby pikador » Sun Dec 01, 2019 11:51 am

Witam!
Mam taki czujnik temperatury z podaną charakterystyką. Najbardziej interesuje mnie odczyt w zakresie 40-120 st.C.
Po wyliczeniu R25 i Beta oraz podłączeniu do wejścia AdcVcc czujnik pracuje i wskaznie jest prawidłowe. W skuterze czujnik pracuje z zasileniem ze skutera więc muszę go podpiąć go pod wejście Adc. W tej konfiguracji odczyt z czujnika jest o około 30 st. C wyższy i zamiast 15 st. C wskazuje 45 st.C. Jak dokonać korekty ustawień aby uzyskać adekwatne wskazanie?
Attachments
czujnik temp 3.png
czujnik temp 3.png (129.43 KiB) Viewed 14444 times
czujnik temp 2.png
czujnik temp 2.png (55.31 KiB) Viewed 14444 times
czujnik temp 1.png
czujnik temp 1.png (116.12 KiB) Viewed 14444 times

ArT
Posts: 1597
Joined: Wed Mar 25, 2015 8:54 am
Location: Warsaw, Poland
Has thanked: 61 times
Been thanked: 169 times

Re: Porblem z kalibracją czujnika NTC

Postby ArT » Tue Dec 03, 2019 7:32 pm

W takim przypadku nie możesz już bazować na rezystancji czujnika tylko zrobić sobie tabelkę napięć i dopiero na jej podstawie skalować czujnik - zakładka NTC(U) w excelu - i dopiero wtedy bedzie dobrze.

pikador
Posts: 7
Joined: Sun Dec 01, 2019 11:29 am
Has thanked: 2 times

Re: Porblem z kalibracją czujnika NTC

Postby pikador » Sun Dec 08, 2019 10:26 am

Zastanawiam się jaką metodę zastosować. W zasadzie mogę użyć czujnika cyfrowego do kontroli temp. i dwa czujniki "ugotować" wtedy uzyskam wartości napięć dla np. 100 st.C. Ale powyżej tej wartości wskazanie trochę się "rozjedzie". Więc może ugotować je w oleju do 120 st.C ? Tylko co z bezpieczeństwem takiego '"doświadczenia". Czy ktoś ma jakieś doświadczenia? :lol:

pikador
Posts: 7
Joined: Sun Dec 01, 2019 11:29 am
Has thanked: 2 times

Re: Porblem z kalibracją czujnika NTC

Postby pikador » Sun Dec 08, 2019 10:34 am

Mam jeszcze pytanie o czujnik ciśnienie paliwa. Z którego punkty wziąć +5V do jego zasilania?
Attachments
CZUJNIK-CISNIENIA-OLEJU-PALIWA-150-PSI-10-BAR-5V.jpg
CZUJNIK-CISNIENIA-OLEJU-PALIWA-150-PSI-10-BAR-5V.jpg (20.37 KiB) Viewed 14428 times

ArT
Posts: 1597
Joined: Wed Mar 25, 2015 8:54 am
Location: Warsaw, Poland
Has thanked: 61 times
Been thanked: 169 times

Re: Porblem z kalibracją czujnika NTC

Postby ArT » Sun Dec 08, 2019 12:40 pm

Możesz gotować w oleju, ważne żebyś odczytywał bezpośrednio napięcie na czujniku;) Wystarczą dwa punkty charakterystyki, ale robiąc ich więcej niwelujesz w pewnym stopniu błąd własnego pomiaru więc będzie dokładniej.Ale jest lepsza metoda - podłączasz się interfejsem diagnostycznym i patrzysz jaką temperaturę widzi sterownik silnika - oczywiście jak masz taką możliwosć.

Co do zasilania czujnika ciśnienia to musi być +5V, możesz je podkraść nawet z UKP z dowolnego wyjścia DS18B20_VCC

pikador
Posts: 7
Joined: Sun Dec 01, 2019 11:29 am
Has thanked: 2 times

Re: Porblem z kalibracją czujnika NTC

Postby pikador » Sun Dec 08, 2019 6:06 pm

Ok czujnik ciśnienia juz działa.
Planuję jeszcze podłączyć wskazanie poziomu paliwa i otwarcia przepustnicy.
Wejścia AdcVcc pozbawiłem rezystorów jak to opisano w oddzielnym wątku aby zyskać 2 wejścia Adc.
Podłączenie nie nastręcza trudności, lecz jak skonfigurować UKP , żeby wskazywał otwarcie przepustnicy w zakresie 0-100 procent ?

ArT
Posts: 1597
Joined: Wed Mar 25, 2015 8:54 am
Location: Warsaw, Poland
Has thanked: 61 times
Been thanked: 169 times

Re: Porblem z kalibracją czujnika NTC

Postby ArT » Sun Dec 08, 2019 9:17 pm

Wykorzystaj jakieś wskazanie z którego nie korzystasz (np. EGT) i wyskaluj tak żeby dla 0% pokazywało 0 EGT a dla 100% 100 EGT i zmień ikonkę EGT na inną ;)

pikador
Posts: 7
Joined: Sun Dec 01, 2019 11:29 am
Has thanked: 2 times

Re: Porblem z kalibracją czujnika NTC

Postby pikador » Sun Dec 08, 2019 9:57 pm

OK dzieki rozumiem.
Czyli a=20 b=0 dla 0%=0V 100%=5V

ArT
Posts: 1597
Joined: Wed Mar 25, 2015 8:54 am
Location: Warsaw, Poland
Has thanked: 61 times
Been thanked: 169 times

Re: Porblem z kalibracją czujnika NTC

Postby ArT » Mon Dec 09, 2019 12:42 pm

Dokładnie przy założeniu że sygnał jest 0-5V ale częściej jest 0,5 - 4,5 V musisz to sprawdzić.

pikador
Posts: 7
Joined: Sun Dec 01, 2019 11:29 am
Has thanked: 2 times

Re: Porblem z kalibracją czujnika NTC

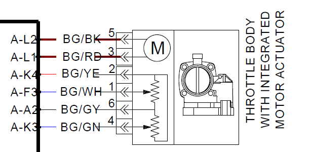
Postby pikador » Sun Dec 15, 2019 11:47 pm

Chodzi o taką przepustnicę. Chcę ją podłączyć do AdcVcc po usunięciu rezystora. powinienem podpiąć się pod sygnał analogowy wyjście 1 lub 4 na przepustnicy. Niestety mierzone tu różnice napięć zamknięta-w pełni otwarta nie przekraczają 0,5V. Czy tak może być i czy mogę to skalibrować, jeśli tak to jak?
Attachments
przepustnica2.png
przepustnica2.png (27.84 KiB) Viewed 14332 times
przepustnica1.png
przepustnica1.png (32.67 KiB) Viewed 14332 times


Return to “Wsparcie Techniczne”

Who is online

Users browsing this forum: No registered users and 10 guests